Office

Office to jednokomorowy system bez izolacji termicznej, przeznaczony do projektowania ścian działowych wewnętrznych.

System łączy walory funkcjonalne oraz estetyczne. Jest doskonałym rozwiązaniem w przypadku konieczności dzielenia dużych powierzchni biurowych.

Dzięki zminimalizowaniu czasochłonnych i kosztownych obróbek, charakteryzuje się bardzo prostą i szybką prefabrykacją.

Charakterystyka produktu

  • system bez izolacji termicznej
  • system 1-komorowy
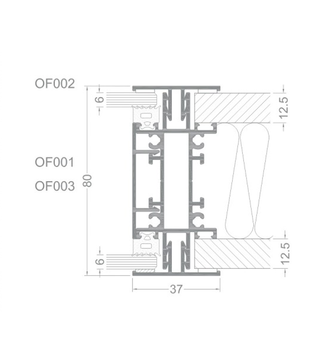
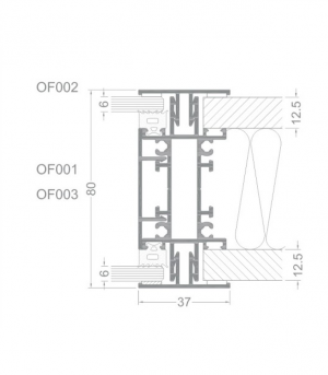
  • głębokość ościeżnicy: 100 mm, 91 mm, 80 mm
  • wysokie parametry akustyczne Rw do 42 dB
  • możliwość zastosowania różnorodnych wypełnień: szkło, płyta GK, płyta meblowa laminowana
  • możliwe grubości wypełnień:
    - szkło: od 4 mm do 13.8 mm
    - płyta meblowa laminowana: 18 mm
    - płyta GK: 12,5 mm
  • konstrukcja systemu przewiduje miejsce na poprowadzenie przewodów elektrycznych i zamontowanie wszelkiego rodzaju włączników, gniazdek i przełączników
  • możliwość zastosowania:
    - drzwi systemu Econoline: zarówno 1- i 2-skrzydłowe poprzez zastosowanie dedykowanego profilu
    - drzwi całoszklanych na okuciach renomowanych producentów
    - drzwi drewnianych bezprzylgowych na zawiasach ukrytych
  • możliwość zastosowania żaluzji międzyszybowych

Rysunki techniczne

Zapytaj o produkt

recaptcha This site is protected by reCAPTCHA and the Google Privacy Policy and Terms of Service apply.

Zapytaj o produkt

pole wymagane

recaptcha This site is protected by reCAPTCHA and the Google Privacy Policy and Terms of Service apply.
Skontaktuj
się z nami